Измельчитель пищевых отходов MAUNFELD MWD7503RB
О товаре
Описание
Длина шнура, см: 100
Скорость вращения мотора без нагрузки, об/мин: 4100
Скорость вращения мотора с нагрузкой, об/мин: 3900
Тип мотора: Двигатель постоянного тока
Максимальная мощность, Вт: 750
Материал измельчающей камеры: Нержавеющая сталь
Способ загрузки: Непрерывный
Управление измельчителем: Кнопка дистанционного управления
Способ переработки пищевых отходов: Проточный
Материал дробильного кольца: Сталь SS 409
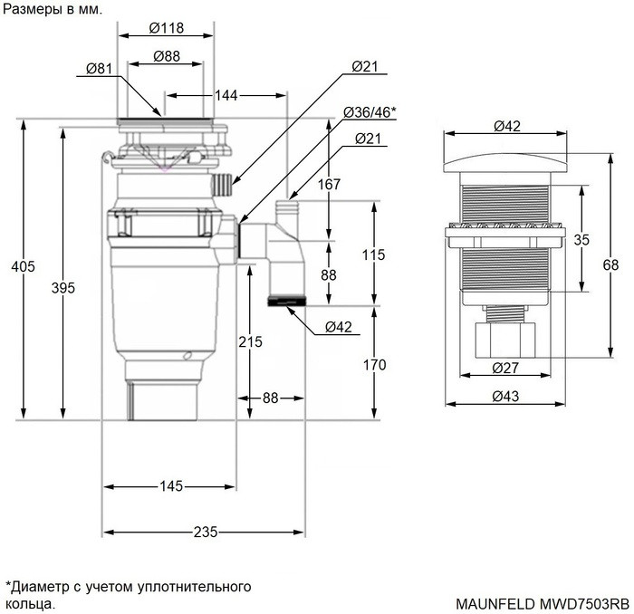
Высота, мм: 405
Вес товара без упаковки (нетто), кг: 4,9




