Кухонная мойка Franke MRG 611-78 оникс 114.0157.493
О товаре
Описание
Поверх чаши можно разместить дополнительные аксессуары: разделочную доску, мобильный коврик Rollmat, корзину и миску для сушки. Мойка серии Maris придает дизайну кухни особенную красоту.
Основные характеристики
Тип монтажа: Накладная
Вид покрытия: Fragranite - искусственный гранит
Ширина шкафа: 45 см
Материал: Fragranite Plus
Крыло: оборачиваемая
Форма: прямоугольная
Количество чаш: 1
Расположение чаши: оборачиваемая
Размеры
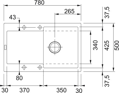
Размер мойки: 780 х 500 мм
Размеры чаш, см: 35.0 x 42.5 x 20.0
Размер чаши: 350 x 425 x 200 мм, R 20 мм
Глубина чаш, см: 20
Глубина, см: 50
Ширина, см: 78
Глубина основной чаши: 200 мм
Дизайн
Коллекция: Maris
Бренд: FRANKE
Установка
Вырез для монтажа: 760 х 480 мм
Размеры выреза, см: 76 х 48
Радиус скругления чаши, мм: 20
Диаметр выреза, см: 3.5
Функционал
Перелив: В чаше
Активная антибактериальная защита: Есть
Конструкция
Комплектация: вентиль-автомат




